
2:13
Welcome to the new release! Let's not waste any time and instead jump right into some new features.
Remember: The updates listed are now live for all users when creating new Documents. Over the next few days, these features will also be available in Documents created before this update.
General Improvements
Edit Mate Connector in Dialog
You can now move or realign a Mate Connector directly from within the Mate (and almost any other) dialog. Previously, this edit would have to occur after creating the feature.
Search Within Active Folder
Document search now defaults to showing results only from the current folder. You can also choose to exclude subfolders when searching.
Copy Document to Folder
When making a copy of a workspace, you may now select a specific folder in which to place the copy.
Browser Tab Shows Folder Location
When on the Documents page, your browser tab now correctly shows the name of the folder location you have navigated to. Previously, it displayed "Documents" whether you were on the home page or in a folder.

This provides more useful information when searching through your browser history as well.
Action Items Reference Version or Workspace
Assigned Action items now clearly indicate which workspace or version they are referencing directly on the Action items page.

Confirmation Before Making a Document Public
An additional confirmation prompt has been added before making a document public, when accessed from the right-click menu of the Documents page. Additionally, the Public tab of the Share dialog includes a new, bolder warning. Both changes aim to increase awareness and security around public documents, and prevent this option from accidentally being enabled.
Note: These options have no impact on Enterprise licenses, as an Enterprise-owned document can’t be made public.
Drawing Improvements
Custom Watermark Text for Release Management
You can now customize the text of your Release management watermark, depending on the state. Changes can be made from the Enterprise settings, under Release management.
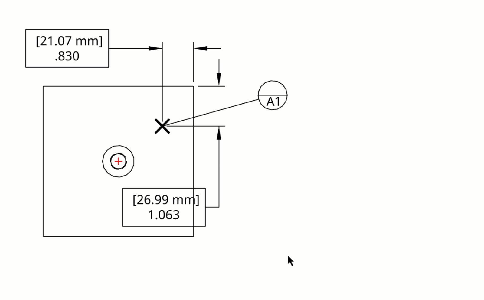
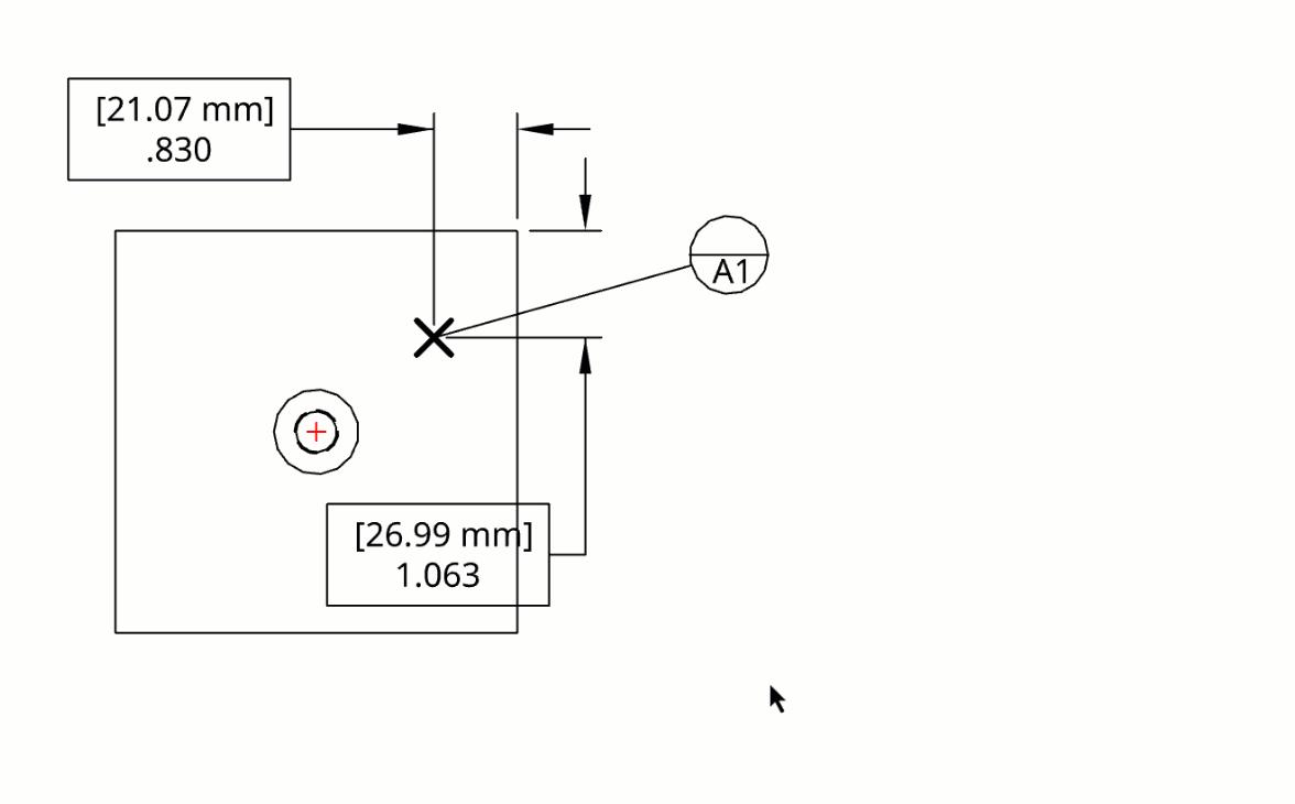
Hide Datum Target Dimensions
Hide Datum target dimensions in your drawings via the right-click context menu.

Enterprise Improvements
Analytics – Obsoletion Dashboard
A new Obsoletion dashboard has been added. This provides valuable insights about obsoletion activity and where obsoleted revisions are in use in your current designs.

Learning Center Improvements
Course Updates – Sheet Metal, Sketching
The Simultaneous Sheet Metal and Introduction to Sketching courses in the Learning Center have been completely updated, with changes to the interface and functionality.
Please take a moment to try out these new features and improvements and leave your comments in the Onshape Forums post. For a detailed list of all the changes in this update, please see the changelog.

Latest Content

- Blog
- Becoming an Expert
- Assemblies
- Simulation
Mastering Kinematics: A Deeper Dive into Onshape Assemblies, Mates, and Simulation
12.11.2025 learn more
- Blog
- Evaluating Onshape
- Learning Center
AI in CAD: How Onshape Makes Intelligence Part of Your Daily Workflow
12.10.2025 learn more
- Blog
- Evaluating Onshape
- Assemblies
- Drawings
- Features
- Parts
- Sketches
- Branching & Merging
- Release Management
- Documents
- Collaboration
Onshape Explained: 17 Features That Define Cloud-Native CAD
12.05.2025 learn more



